写真全般
写真をクリックすると拡大写真をご覧になれます
夏本番!暑い日々が続いておりますが、皆様いかがお過ごしでしょうか。
今回は、これから一番凶暴で攻撃性が高まる時期を迎えるとっても危険なスズメバチで、乾式研磨薄片を作製してみました。この薄片では、体の中に毒嚢・毒腺・毒針が収まっている様子や、毒針の断面、針の先端の毛が鮮明に見えます。スズメバチに刺された経験がある人はその時の痛みを思い出し、刺された経験がない人もスズメバチの針を観察して恐れおののくのではないでしょうか。綺麗な薄片だからこそ見える世界をご堪能ください。
学術的に云々ではなく、写真にあるようなこんな針で刺されたら痛いでしょうし、命に関わる一大事の事態となりますので、既に刺された経験がある方もない方も薄片写真の針をご覧になって、刺されないように注意をして頂ければと思います。スズメバチの巣を見かけたら、できる限り巣には近寄らないようにしましょう。
(左:直交ニコル、右:単ニコル 写真の長辺は約7mm、スズメバチの針の長さは約4mm)
薄片のスズメバチ提供者 木村正司様 茨城県鉾田市
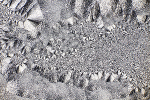
乾式研磨法で作製した、草津白根火山の基盤にあたる第三紀輝石安山岩を起源とする熱水変質岩の薄片。石英、明礬石固溶体、黄鉄鉱、硫黄よりなる。薄片の観察により、高温の酸性流体との化学反応で、石基の珪化・苦鉄質鉱物の分解と黄鉄鉱の生成・斑晶斜長石の溶脱が同時進行したこと、また熱水の温度が低下する過程で明礬石の自形結晶が生成し、残った空隙に溶融硫黄が充填したことが読める。グレーの干渉色で粒界が噛み合った粒子が石英、薄板状(切断面ではほとんど針状に見える)の粒子が明礬石固溶体、圧倒的に鮮やかな干渉色を見せる粒子が硫黄である。
人間の爪程度に軟らかく、また水の沸点より少々高い程度で溶融してしまう硫黄が、通常の造岩鉱物としては最も硬い石英に取り囲まれている。温度を上げず平滑に薄く磨くには、多くの技術的ブレークスルーが必要であった。(左:直交ニコル、右:単ニコル 厚さ30μm以下 写真の長辺が約1.6mm)群馬県嬬恋村奥万座産 解説・写真撮影:産総研名誉リサーチャー 青木正博
















